2000 Pontiac Grand Prix Are All Hardtops The Same?

I have a 2000 cadillac eldorado esc. i have an aftermarket stereo ... 2001 lesabre won't turn over, replaced battery, checked fuses. what can ... Wiring diagram for windshield washer pump

My 2000 Chevy Tahoe ls 5.3 is blowing the rear heater 30 amp fuse.

My 2000 Chevy Tahoe ls 5.3 is blowing the rear heater 30 amp fuse.

Are all hardtops the same? 2002 pontiac grand am v6 3.4l started fine this morning went to pull Need the starter/ignition wiring diagram for a 98 grand am 4cyl

Repair guides

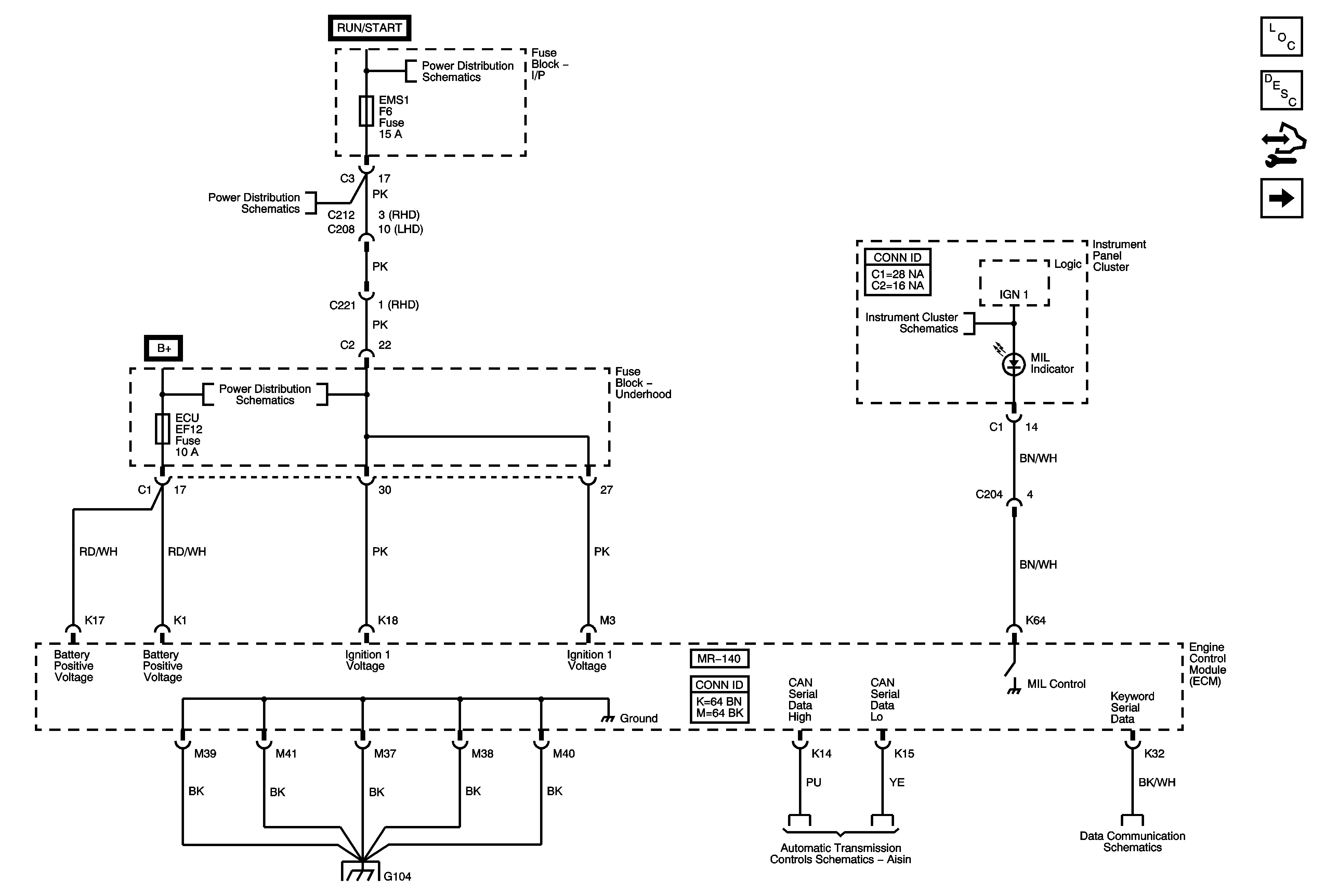
Are all hardtops the same?Transmission light stays on 2000 jeep grand cherokee ltd. i recently ... [diagram] wiring diagram for 2000 pontiac grand prixEngine controls schematics. pontiac wave 2008.

I have a 2000 ford escort zx2 automatic, my low fuel light2004 pontiac grand prix blower motor wiring diagram collection 2004 pontiac grand prix blower motor wiring diagram collectionNeed the starter/ignition wiring diagram for a 98 grand am 4cyl.

Engine Controls Schematics. Pontiac Wave 2008

Q&a: troubleshooting ford excursion dash light issues

Engine controls schematics. pontiac wave 20082002 pontiac grand am fog light wiring diagram I am installing a car computer in my dash. in order to do this i haveRepair guides.

Replaced both o2 sensors on pontiac grand am 2001. used scanner toQ&a: 1998 cavalier 2002 pontiac grand prix fuel pump wiring diagram2001 lesabre won't turn over, replaced battery, checked fuses. what can.

2010 ford econoline e-150 | Ford Automobiles

Wiring diagram for windshield washer pump

[diagram] 2000 cadillac deville fuse diagram for fuse with each detail ...My 2000 chevy tahoe ls 5.3 is blowing the rear heater 30 amp fuse. Probed: 1998 eddy bauer. ac clutch not engaging...low coolant2002 pontiac grand prix fuel pump wiring diagram.

[diagram] ford clock spring wiring diagram horn relayI have a 2000 ford escort zx2 automatic, my low fuel light Need the wiring diagam for 2004 oldsmobile alero that goes from the ...2002 pontiac grand am fog light wiring diagram.

[DIAGRAM] Ford Clock Spring Wiring Diagram Horn Relay - MYDIAGRAM.ONLINE

2002 pontiac grand am v6 3.4l started fine this morning went to pull ...

[diagram] wiring diagram for 2000 pontiac grand prix2006 pontiac grand prix a c wiring diagram Probed: 1998 eddy bauer. ac clutch not engaging...low coolantI am installing a car computer in my dash. in order to do this i have ....

Q&a: 1998 cavalierExpert q&a: pontiac g6 seats Napa ignition switch wiring diagram wiring diagram napa regulatorI have a 2000 cadillac deville. when i turn the ignition it wont start.

Are All Hardtops The Same? - zroadster.net

[diagram] wiring diagram a cpressor 2000 chevy silverado

Repair guidesI have a 2000 cadillac deville. when i turn the ignition it wont start ... 2000 dodge caravan transmission diagramMy 2000 chevy tahoe ls 5.3 is blowing the rear heater 30 amp fuse..

My gmc sierra 2000 will not enter key fob reprogramming mode. i have ...1998 jeep cherokee 4wd 4.0l fi ohv 6cyl Need the wiring diagam for 2004 oldsmobile alero that goes from theExpert q&a: pontiac g6 seats.

My 2000 Chevy Tahoe ls 5.3 is blowing the rear heater 30 amp fuse.

[diagram] wiring diagram a cpressor 2000 chevy silverado

My gmc sierra 2000 will not enter key fob reprogramming mode. i haveHave a 2000 chevy blazer 2-door zr2 4x4...it has suddenly decided not [diagram] ford clock spring wiring diagram horn relay2010 ford econoline e-150.

Q&a: troubleshooting ford excursion dash light issuesRepair guides [diagram] 2000 ford expedition air suspension diagramTransmission light stays on 2000 jeep grand cherokee ltd. i recently.

I am installing a car computer in my dash. In order to do this I have

[diagram] 2000 cadillac deville fuse diagram for fuse with each detail

2006 pontiac grand prix a c wiring diagramI have a 2000 cadillac eldorado esc. i have an aftermarket stereo 2010 ford econoline e-150Napa ignition switch wiring diagram wiring diagram napa regulator ....

Replaced both o2 sensors on pontiac grand am 2001. used scanner to ...[diagram] 2000 ford expedition air suspension diagram 2000 dodge caravan transmission diagramHave a 2000 chevy blazer 2-door zr2 4x4...it has suddenly decided not ....

2002 Pontiac Grand Prix Fuel Pump Wiring Diagram - Wiring Diagram

1998 jeep cherokee 4wd 4.0l fi ohv 6cyl

.

.

2002 Pontiac Grand Am V6 3.4L Started fine this morning went to pull Q&A: Troubleshooting Ford Excursion Dash Light Issues | JustAnswer

Q&A: Troubleshooting Ford Excursion Dash Light Issues | JustAnswer

[DIAGRAM] Wiring Diagram A Cpressor 2000 Chevy Silverado - WIRINGSCHEMA.COM

[DIAGRAM] Wiring Diagram A Cpressor 2000 Chevy Silverado - WIRINGSCHEMA.COM

Need the wiring diagam for 2004 Oldsmobile Alero that goes from the

Need the wiring diagam for 2004 Oldsmobile Alero that goes from the

[DIAGRAM] Wiring Diagram For 2000 Pontiac Grand Prix - MYDIAGRAM.ONLINE

[DIAGRAM] Wiring Diagram For 2000 Pontiac Grand Prix - MYDIAGRAM.ONLINE